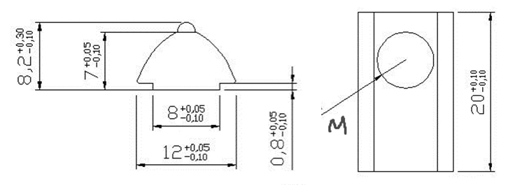
| Material | surface | M= | Package | |||
| stainless stell | Plain | M3 | 100pcs/bag | |||
| steel | zinc/ nickel plated | M4 | ||||
| Alumium | plain/others | M5 | ||||
| M6/M8 | ||||||


The law of the People's Republic of China telecom and information services business license number: 浙ICP備19001480號-1
Technical support:RONG SHENG NETWORK